Can the fuel tap on the tank be removed? I think mine is clogged - I've put the new fuel pump in, but nothing pumps out...
Looking at the parts fiche, it appears to screw out - hopefully the tank has standard threads...
Fuel tap
-
prospero75
- Posts: 4
- Joined: Mon Oct 05, 2015 4:02 pm
- model: 907 I.E.
- year: 1991
- Location: USA
Fuel tap
dj
1991 Ducati 907ie - a Yellow one
1991 BMW K1 - a Black one
1994 K1100LT - the daily mule
1979 R100 - the Uber 5
Rhode Island, USA
www.colorwiringdiagrams.com
1991 Ducati 907ie - a Yellow one
1991 BMW K1 - a Black one
1994 K1100LT - the daily mule
1979 R100 - the Uber 5
Rhode Island, USA
www.colorwiringdiagrams.com
- paso750
- paso grand pooh-bah
- Posts: 5570
- Joined: Sun Jul 18, 2004 12:00 am
- model: 750 Paso
- year: 1987
- Location: southern Germany
Re: Fuel tap
is it possible the power connections on the new pump are reversed?
-
prospero75
- Posts: 4
- Joined: Mon Oct 05, 2015 4:02 pm
- model: 907 I.E.
- year: 1991
- Location: USA
Re: Fuel tap
It's pumping out of the fuel pump, past the fuel filter, just fine. Nothing comes out once I hook the fuel line up to the interior hard line.
dj
1991 Ducati 907ie - a Yellow one
1991 BMW K1 - a Black one
1994 K1100LT - the daily mule
1979 R100 - the Uber 5
Rhode Island, USA
www.colorwiringdiagrams.com
1991 Ducati 907ie - a Yellow one
1991 BMW K1 - a Black one
1994 K1100LT - the daily mule
1979 R100 - the Uber 5
Rhode Island, USA
www.colorwiringdiagrams.com
- paso750
- paso grand pooh-bah
- Posts: 5570
- Joined: Sun Jul 18, 2004 12:00 am
- model: 750 Paso
- year: 1987
- Location: southern Germany
Re: Fuel tap
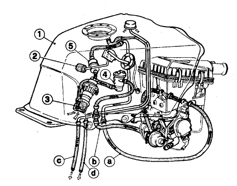
and those connections are correct, too? Just asking because the bit where hose "b" connects to is a one way valve
- Attachments
-
- Unbenannt-1.jpg (170.52 KiB) Viewed 5336 times
-
prospero75
- Posts: 4
- Joined: Mon Oct 05, 2015 4:02 pm
- model: 907 I.E.
- year: 1991
- Location: USA
Re: Fuel tap
ah, yes - thank you, I've confused the one way valve with the fuel tap. So I need to figure it out tomorrow, when there is light.
The fuel pump fires up and pumps up to pressure, but goes nowhere - maybe the steel line is plugged.
Thanks, much!
dj
The fuel pump fires up and pumps up to pressure, but goes nowhere - maybe the steel line is plugged.
Thanks, much!
dj
dj
1991 Ducati 907ie - a Yellow one
1991 BMW K1 - a Black one
1994 K1100LT - the daily mule
1979 R100 - the Uber 5
Rhode Island, USA
www.colorwiringdiagrams.com
1991 Ducati 907ie - a Yellow one
1991 BMW K1 - a Black one
1994 K1100LT - the daily mule
1979 R100 - the Uber 5
Rhode Island, USA
www.colorwiringdiagrams.com