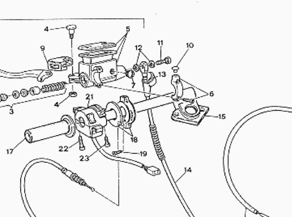
If anyone has the nr. 10 part in the diagram, can you post the length and diameter of the foot and the diameter of the head
And if anyone has some spares they don't need, I'm interested in buying two.
Thanks
Brake plug
Brake plug
- Attachments
-
- paso brake.jpg (70.96 KiB) Viewed 3746 times
- ducapaso
- paso grand pooh-bah
- Posts: 1097
- Joined: Sun Aug 01, 2004 12:00 am
- model: 750 Paso
- year: 1988
- Location: siena, italy
- Contact:
Re: Brake plug
This should be M10 or M8 (metric tread) lenght... Maybe 10 mm should be ok
have a nice ride, Nicola
Black "DUKE" 751582
ex...Red "smooth" 753349
Black "DUKE" 751582
ex...Red "smooth" 753349
-
Mc tool
- paso grand pooh-bah
- Posts: 1989
- Joined: Wed Dec 05, 2007 12:35 am
- model: 906 Paso
- year: 1990
- Location: Riverton New Zealand
Re: Brake plug
I think the thing is a plastic blanking plug to fill the hole where a mirror might be screwed in . You can get that 1/2 bracket thing without that hole in there , have a look at MG's as they have a few brembo parts .Or maybe fit it upside down so you cant see it
I wish I was young again............Id be heaps smarter than last time
Re: Brake plug
Got some car plugs.